
動作方式:先導活塞式 控制方式:常開、常閉、自保持式
電源電壓:AC127V、AC220V、DC12V、DC24V
閥體材質:304不銹鋼、316不銹鋼、316L不銹鋼
適用介質:水、氣、油、天然氣等液體或氣體
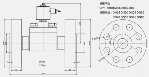
壓力范圍:1.6-2.5MPa、4.0MPa、6.3MPa、10MPa、16MPa、26MPa、42MPa
介質溫度:-196℃、-50℃、0-80℃、0-200℃、0-300℃
通徑范圍:DN15~DN600mm 防爆等級:ExdIICT5、ExdIICT6
接線方式:引線式;接線座式 連接方式:法蘭、焊接、內螺紋、外螺紋
臺銘公司專業提供不銹鋼高壓防爆電磁閥系列產品,歡迎來電咨詢法蘭不銹鋼高壓防爆電磁閥產品詳細信息,結構尺寸參數、價格等詳情,我們將竭誠為您提供優質的服務!
上海臺銘的不銹鋼高壓防爆電磁閥配置帶防爆接線裝置的隔爆型電磁線圈、還能配置帶手動功能系列法蘭不銹鋼高壓防爆電磁閥及配置帶信號反饋不銹鋼法蘭防爆電磁閥廠家品牌-上海臺銘,IICT5-CT6系列防爆標準;隔爆型防爆電磁閥的線圈外殼具有承受氣體壓力的隔爆作用,以及對氣體能量傳遞具有阻止作用,安全性能高;防爆型電磁閥常用于傳輸易燃易爆介質或專用于燃易爆性危險場所的工況和環境下,不同的環境和流體應選擇不同防爆等級的電磁閥。
法蘭不銹鋼高壓防爆電磁閥適用于水、氣、油、天燃氣、氫氣、柴油、石油等管路的控制系統,廣泛用于石化、航天、船舶重工、電力、能源、輕工、機械、科研、給排水、消防、工業爐窯、燃氣管網、加氣站等領域。
高壓電磁閥產品特點:
超高壓力;活塞結構、性能穩定;密封性好、開關迅速;定制線圈、不易燒毀;壓力可做到42MPa。
電磁閥工作原理:
常閉型:當線圈通電時,先導閥芯吸合,先導孔打開,閥上腔卸壓,活塞靠下腔介質壓力推動,電磁閥打開;當線圈斷電時,先導閥芯靠彈簧復位,先導孔關閉,閥上腔由活塞節流孔增壓和復位彈簧的推力,電磁閥關閉。
常開型:當線圈通電時,先導孔關閉,閥上腔由活塞節流孔增壓和復位彈簧的推力,電磁閥關閉;當線圈斷電時,先導閥芯靠彈簧復位,先導孔打開,閥上腔卸壓,活塞靠下腔介質壓力推動,電磁閥打開。
特殊功能:
信號反饋:當閥打開時,信號公共線和開信號線接通;當閥關閉時,信號公共線和關信號線接通。
手動功能:當電磁閥失電時,旋轉手動柄可以操作電磁閥打開及關閉。

溫馨提示:
本文中所有文字、數據、圖片適用于參考,需要查看更多的法蘭不銹鋼高壓防爆電磁閥性能參數、結構尺寸、價格等詳情請聯系我們。

接線座式防爆電磁閥簡介: 接線座式防爆電磁閥適用于易燃易爆介質,以及

不銹鋼高壓防爆電磁閥是用電磁控制的工業設備,是用來控制流體的自動化

碳鋼防爆電磁閥是把設備可能點燃易爆性氣體混合物的部件全部封閉在一個

法蘭不銹鋼高壓防爆電磁閥配置帶防爆接線裝置的隔爆型電磁線圈及配置帶

直動式防爆電磁閥一般是用于小口徑,低壓力的管道,直動式結構的電磁閥