
閥體、閥蓋、閥芯、閥桿材質:聚四氟材料PTFE
密封材質:氟橡膠VTION 介質溫度:0~+160℃
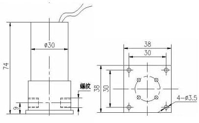
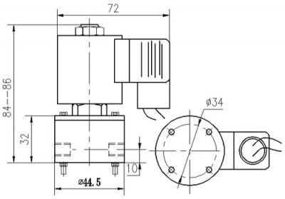
公稱通徑:DN2 3 4 5 6 8 10
適用介質:各類酸 鹽 有機溶劑等化學流體
工作壓力:0~0.25MPa、0-0.6MPa
控制方式:常閉式、常開式
電源電壓:AC220V、AC110V、DC12V、DC24V
連接方式:內螺紋G、NPT、M、寶塔接頭
臺銘公司專業提供小型聚四氟防腐電磁閥系列產品,歡迎來電咨詢聚四氟電磁閥產品詳細信息,結構尺寸參數、價格等詳情,我們將竭誠為您提供優質的服務!
小型聚四氟防腐電磁閥介紹:
聚四氟電磁閥具有優異的耐腐蝕性能,對所有的常用化學品都呈惰性;幾乎可以抵抗所有化學介質(包括濃硫酸和王水);聚四氟乙烯電磁閥具有優異的耐熱性能,應用溫度為0~160℃,特別適合腐蝕嚴重、溫度高且化學品不允許與潤滑劑接觸的環境。
聚四氟乙烯電磁閥產品化學穩定性:
1、聚四氟乙烯幾乎不受任何化學試劑腐蝕。
2、聚四氟乙烯不吸潮,不燃,對氧、紫外線均極穩定,所以具有優異的耐候性,抗氧化,抗表層垢舊,抗褪色及抗脆化等性能。
3、無污染,無味,具有高純度及化學惰性,不會對流體介質產生任何影響。
4、溫度使用范圍廣泛:它可以在0℃~+150℃范圍長期使用。
產品用途:聚四氟電磁閥用于各種常溫、常壓、低壓場合,應用于強酸、強堿、強氧化劑等強腐蝕性流體介質。




溫馨提示:
本文中所有文字、數據、圖片適用于參考,需要查看更多的聚四氟乙烯電磁閥性能參數、結構尺寸、價格等詳情請聯系我們。

帶信號反饋聚四氟電磁閥采用聚四氟乙烯本體的電磁閥,帶信號反饋聚四氟

法蘭防爆聚四氟乙烯電磁閥具有優異的耐腐蝕性能,對所有的常用化學品都

聚四氟二位三通電磁閥由于啟閉原理的獨特性和結構設計的科學性,產品的

小型聚四氟乙烯電磁閥具有優異的耐腐蝕性能對所有的常用化學品都呈惰性

聚四氟乙烯電磁閥應用于強酸、強堿、強氧化劑等強腐蝕性各類溶劑流體